In this section it is shown how to connect an POTSBOX to the Abilis CPX.
Follow the steps below to connect a POTSBOX:
Power on Abilis;
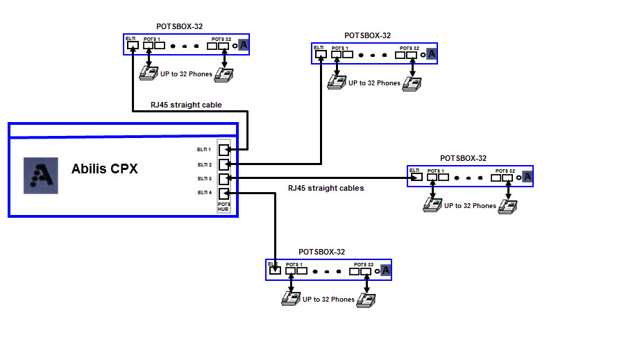
connect the POTSBOX ELTI (External LVDS TDM interface) port to Abilis ELTI port using the Ethernet cable (The maximum length 70m) ;
connect the power supply to POTSBOX;
There are two ways of connecting a power supply cable:
From Power OUT port of Abilis; Refer to Figure 3.17, “Connecting POTSBOX with ELTI port Abilis”
From External Power Supply;
add/configure the POTSBOX device;
There are two ways of connection:
The connection of POTSBOX with ELTI ports from POTSHUB card of Abilis
It is used for expandable Abilis(Base-N,Base-P etc) equipped with POTSHUB. The maximum numbers of analog phones is 32 from one POTSBOX. The maxim numbers of POTSHUB posible to connect on the Abilis is 3.
The connection of POTSBOX with ELTI port of Abilis
It is used for non-expandable Abilis (MicroAbilis C3, PicoAbilis etc) equipped with ELTI port. The maximum numbers of analog phones is 32.