3.13. RIO connection

In this section it's shown how to connect a RIO to the Abilis CPX.

Follow the steps below to connect a RIO:

3.13.1. RIO I/O connection

In this section it's shown how to connect a RIO Inputs/Outputs.

Figure 3.28. Pinout of RIO I/O board

Pinout of RIO I/O board

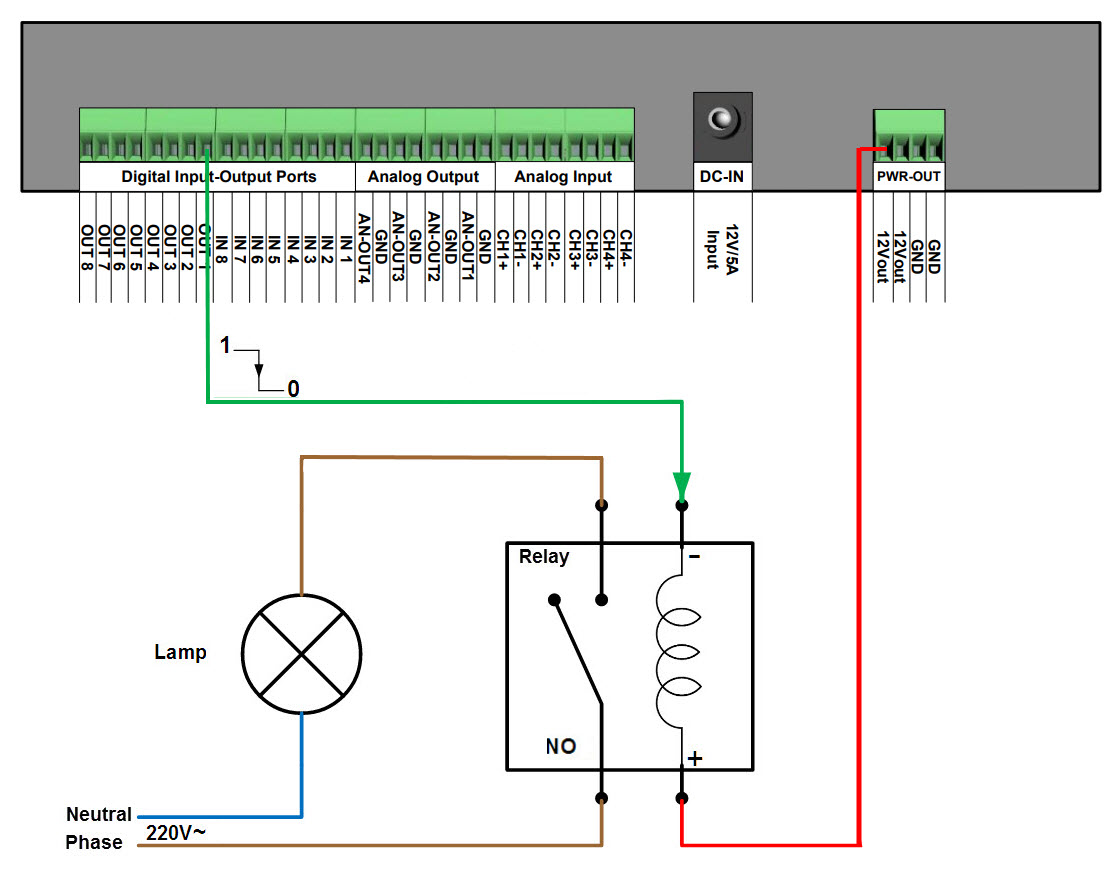
3.13.1.1. Connecting an external relay to Digital Output

The following figure explains how to connect an external relay to Digital Output of RIO.

Figure 3.29. Example of DOUT connection

Example of DOUT connection

3.13.1.2. Connecting a motion sensor to Digital Input

The following figure explains how to connect a motion sensor (BMD503) to Digital Input of RIO.

Figure 3.30. Example of DIN connection

Example of DIN connection

3.13.1.3. Connecting a DC motor to Relay Switch Port

The following figure explains how to connect a 12V DC motor to Relay Switch Port of RIO.

Figure 3.31. Example of Relay Switch Port connection

Example of Relay Switch Port connection

By enabling the digital output D-OUT-8 (ON), a contact is closed that short-circuits the respective 8-A and 8-B pins.